Skip to Content
Contact Us
585.436.4650
RFQ
Close
About Us
Blog
Facility
Government and Military Solution
Industries
Agriculture
Construction
Government, Defense & Military
Railroad & Locomotive Diesel Engine Products
Transportation
Capabilities
Engines
Diesel Engine Electrical Components
Diesel Engine Filtration Systems
Diesel Engine Turbocharger Assemblies
Fuel Injection Systems & Parts
Hydraulic Hoses & Fittings
Diesel Exhaust Systems
Generators
Contact Us
Request a Quote
Products Catalog
All Categories
>
Exhaust Systems
>
Cylindrical Silencers
>
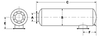
Model "JR" Series Residential Grade Engine Exhaust Silencers
>
Item # JRS-20-600211
> Email Page
Email Page
In Reference To :
Item Details :
Item # JRS-20-600211 , Model "JR" Series Residential Grade Engine Exhaust Silencers
Your Information
Send Email
Cancel
Required Fields
*
Recipient's Email *
*
Use Semicolon (;) for up to 5 addresses.
Your Email
*
Your Name
Send copy to self
Comments
reCAPTCHA
E-mail addresses are used for this mailing request only and are not saved or used for any other purposes. For security purposes, your IP address will be included in the E-mail.
Send Email
Cancel