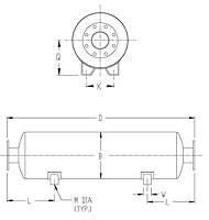
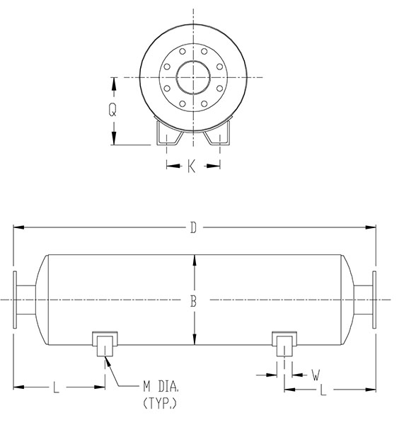
Unit of Measure

Specifications

Type

N/A Horizontal

Body Diameter (B)

N/A 24 in

Dimension M

N/A 5/8 in

Dimension K

N/A 12 in

Dimension W

N/A 14.5 in

Dimension Q

N/A 2-1/2 in

Note

N/A Standard 'L' = 1/4 of 'D' or per customer specifications.

Dimensions and weights are nominal and may vary slightly with production models. Request certified drawings for exact dimensions.