Unit of Measure
Specifications
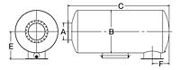
Inlet/Outlet Type |
N/A Side Inlet/End Outlet |
Dimension A |
N/A 24.0 in |
Dimension B |
N/A 60 in |
Dimension C |
N/A 166.50 in |
Dimension E |
N/A 39 in |
Dimension F |
N/A 23.50 in |
Weight |
N/A 2500 lb |
Grade |
N/A Residential Grade |
Typical Reduction |
N/A 25 to 32 dB |
Materials |
N/A 316 Stainless Steel |
