Model "RGF" Series Rain Guards
Rain Guards and Caps
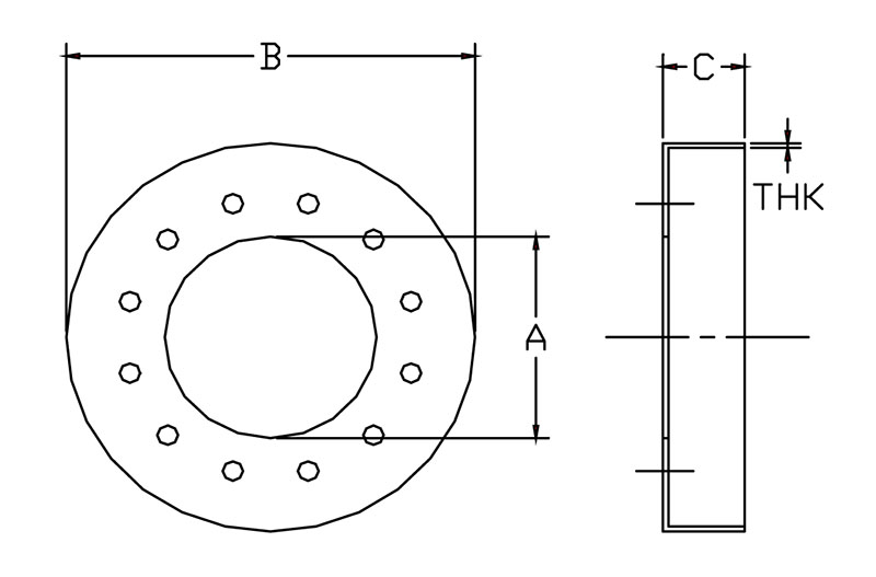
Rain Guard with ANSI Flange Pattern
Standard Features
Standard Features
- Special flanges available
- Stainless steel construction available
Item # |
Part No. |
Size |
Dimension B |
Dimension C |
Thickness |
Quantity |
|---|---|---|---|---|---|---|
| RGF-04 RGF-04/Asset/a1540.jpg | Part No. N/A 21729 | Size N/A 4.00 in | Dimension B N/A 13.0 in | Dimension C N/A 4.0 in | Thickness N/A 0.083 in | |
| RGF-05 RGF-05/Asset/a1540.jpg | Part No. N/A 21730 | Size N/A 5.00 in | Dimension B N/A 14 in | Dimension C N/A 4.0 in | Thickness N/A 0.083 in | |
| RGF-06 RGF-06/Asset/a1540.jpg | Part No. N/A 21731 | Size N/A 6.00 in | Dimension B N/A 15 in | Dimension C N/A 4.0 in | Thickness N/A 0.083 in | |
| RGF-08 RGF-08/Asset/a1540.jpg | Part No. N/A 21732 | Size N/A 8.00 in | Dimension B N/A 17.5 in | Dimension C N/A 4.0 in | Thickness N/A 0.083 in | |
| RGF-10 RGF-10/Asset/a1540.jpg | Part No. N/A 21733 | Size N/A 10.0 in | Dimension B N/A 20 in | Dimension C N/A 4.0 in | Thickness N/A 0.109 in | |
| RGF-12 RGF-12/Asset/a1540.jpg | Part No. N/A 21734 | Size N/A 12.00 in | Dimension B N/A 23.0 in | Dimension C N/A 4.0 in | Thickness N/A 0.109 in | |
| RGF-14 RGF-14/Asset/a1540.jpg | Part No. N/A 21735 | Size N/A 14.0 in | Dimension B N/A 25.0 in | Dimension C N/A 4.0 in | Thickness N/A 0.109 in | |
| RGF-16 RGF-16/Asset/a1540.jpg | Part No. N/A 21736 | Size N/A 16.0 in | Dimension B N/A 27.5 in | Dimension C N/A 4.0 in | Thickness N/A 0.109 in |

